Current Location :
Home > Products
| 侏催 |
樫雁 mm |
減塞 KN |
嶷楚 kg |
|
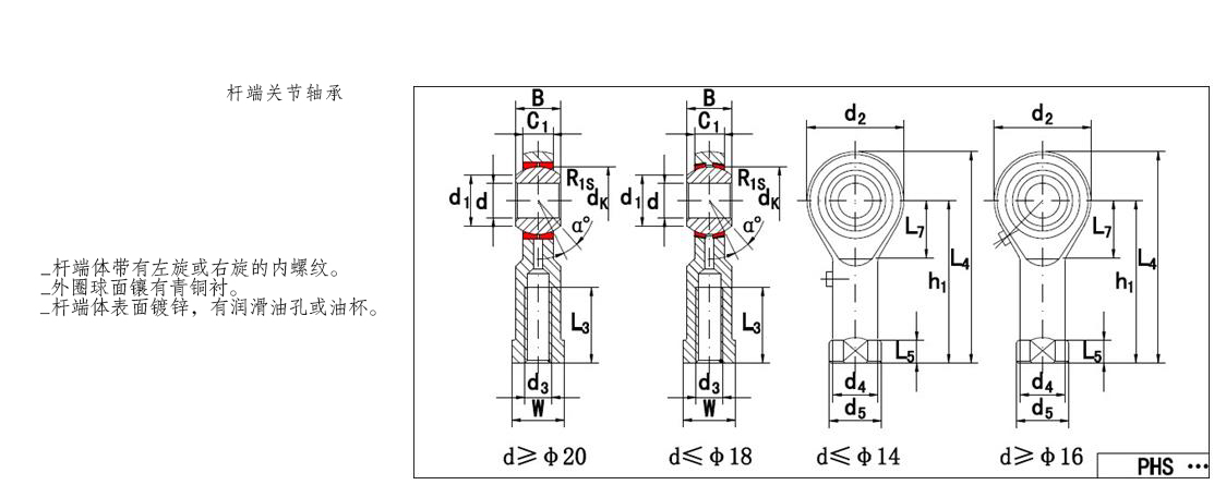
d |
d3 |
B |
C1 |
L3 |
W |
d2 |
d1 |
h1 |
L4 |
L5 |
d4 |
d5
|
dk
|
a
|
強
|
床
|
|
|
|
6H |
|
|
min |
|
|
|
|
|
|
|
|
|
「 |
C |
C0 |
|
| PHS4 |
4 |
M4x0.7 |
7 |
5.25 |
8 |
8 |
14 |
6.5 |
24 |
31 |
4 |
8 |
9.5 |
9.525 |
13 |
3 |
5 |
0.009 |
| PHS5 |
5 |
M5x0.8 |
8 |
6 |
10 |
9 |
16 |
7.7 |
27 |
35 |
4 |
8.5 |
11 |
11.11 |
13 |
3.25 |
5.7 |
0.016 |
| PHS6 |
6 |
M6x1.0 |
9 |
6.75 |
12 |
11 |
18 |
8.96 |
30 |
39 |
5 |
10 |
13 |
12.7 |
13 |
4.3 |
7.2 |
0.022 |
| PHS8 |
8 |
M8x1.25 |
12 |
9 |
16 |
14 |
22 |
10.4 |
36 |
47 |
5 |
12.5 |
16 |
15.875 |
14 |
7.2 |
11.6 |
0.047 |
| PHS10 |
10 |
M10x1.5 |
14 |
10.5 |
20 |
17 |
26 |
12.9 |
43 |
56 |
6.5 |
15 |
19 |
19.05 |
13 |
10 |
14.5 |
0.077 |
| PHS10-1 |
10 |
M10x1.25 |
14 |
10.5 |
20 |
17 |
26 |
12.9 |
43 |
56 |
6.5 |
15 |
19 |
19.05 |
13 |
10 |
14.5 |
0.077 |
| PHS12 |
12 |
M12x1.75 |
16 |
12 |
22 |
19 |
30 |
15.4 |
50 |
65 |
6.5 |
17.5 |
22 |
22.225 |
13 |
13.4 |
17 |
0.1 |
| PHS12-1 |
12 |
M12x1.25 |
16 |
12 |
22 |
19 |
30 |
15.4 |
50 |
65 |
6.5 |
17.5 |
22 |
22.225 |
13 |
13.4 |
17 |
0.1 |
| PHS14 |
14 |
M14x2.0 |
19 |
13.5 |
25 |
22 |
34 |
16.9 |
57 |
74 |
8 |
20 |
25 |
25.4 |
16 |
17 |
24 |
0.16 |
| PHS14-1 |
14 |
M14x1.5 |
19 |
13.5 |
25 |
22 |
34 |
16.9 |
57 |
74 |
8 |
20 |
25 |
25.4 |
16 |
17 |
24 |
0.16 |
| PHS16 |
16 |
M16x2.0 |
21 |
15 |
28 |
22 |
40 |
19.4 |
64 |
84 |
8 |
22 |
27 |
28.575 |
15 |
21.6 |
28.5 |
0.22 |
| PHS16-1 |
16 |
M16x1.5 |
21 |
15 |
28 |
22 |
40 |
19.4 |
64 |
84 |
8 |
22 |
27 |
28.575 |
15 |
21.6 |
28.5 |
0.22 |
| PHS18 |
18 |
M18x1.5 |
23 |
16.5 |
32 |
27 |
44 |
21.9 |
71 |
93 |
10 |
25 |
31 |
31.75 |
15 |
26 |
42.5 |
0.32 |
| PHS20 |
20 |
M20x1.5 |
25 |
18 |
33 |
30 |
50 |
24.4 |
77 |
102 |
10 |
27.5 |
34 |
34.925 |
14 |
31.5 |
42.5 |
0.42 |
| PHS22 |
22 |
M22x1.5 |
28 |
20 |
37 |
32 |
54 |
25.8 |
84 |
111 |
12 |
30 |
38 |
38.1 |
15 |
38 |
57 |
0.54 |
| PHS25 |
25 |
M24x2.0 |
31 |
22 |
42 |
36 |
60 |
29.6 |
94 |
124 |
12 |
33.5 |
42 |
42.86 |
15 |
47.5 |
68 |
0.73 |
| PHS28 |
28 |
M27x2.0 |
35 |
24 |
48 |
41 |
66 |
32.3 |
103 |
136 |
14 |
37 |
46 |
47.63 |
15 |
58 |
75 |
0.98 |
| PHS30 |
30 |
M30x2.0 |
37 |
25 |
51 |
41 |
70 |
34.8 |
110 |
145 |
15 |
40 |
50 |
50.8 |
17 |
64 |
88 |
1.1 |
| PHS30-1 |
30 |
M27x2.0 |
37 |
25 |
51 |
41 |
70 |
34.8 |
110 |
145 |
15 |
40 |
50 |
50.8 |
17 |
64 |
88 |
1.1 |