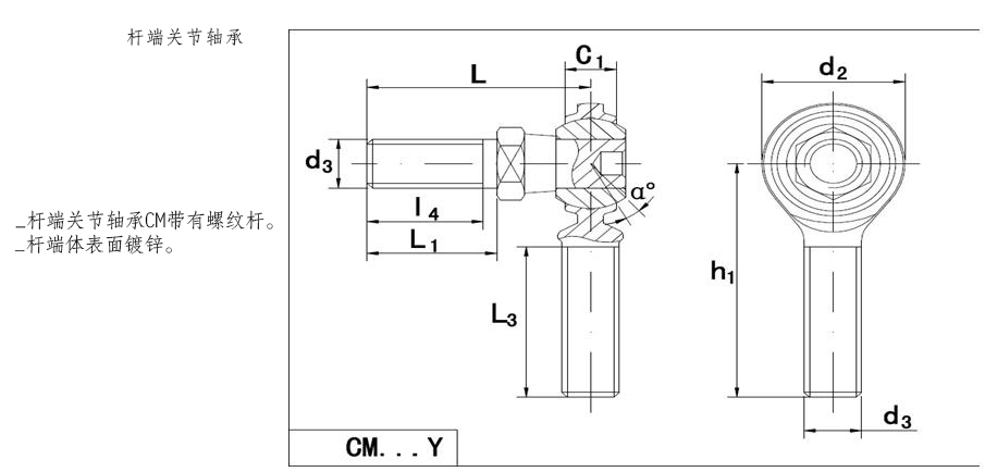
| 型号 |
尺寸 mm |
负荷 KN |
重量 kg |
|
d3 |
C1 |
d2 |
h1 |
L3 |
L |
L1 |
L4 |
a |
|
|
|
2B
|
|
|
|
min |
|
|
|
≈ |
|
|
| CM3Y* |
10-32 |
5.94 |
15.88 |
31.75 |
19.05 |
25.4 |
12.7 |
11.1 |
25 |
5.355 |
0.018 |
| CM4Y* |
1/4-28 |
6.35 |
19.05 |
39.67 |
25.4 |
26.19 |
14.27 |
12.7 |
25 |
9.839 |
0.023 |
| CM5Y* |
5/16-24 |
7.92 |
22.23 |
47.63 |
31.75 |
30.96 |
17.45 |
15.06 |
25 |
15.91 |
0.045 |
| CM6Y |
3/8-24 |
9.12 |
25.4 |
49.23 |
31.75 |
39.67 |
23.01 |
20.62 |
25 |
22.542 |
0.068 |
| CM7Y |
7/16-20 |
10.31 |
28.58 |
53.98 |
34.93 |
44.45 |
26.97 |
23.8 |
25 |
28.223 |
0.109 |
| CM8Y |
1/2-20 |
11.5 |
33.32 |
61.93 |
38.1 |
50.8 |
25.58 |
25.4 |
25 |
37.087 |
0.159 |
| CM10Y |
5/8-18 |
12.29 |
38.1 |
66.68 |
41.28 |
63.5 |
38.1 |
34.93 |
25 |
43.023 |
0.277 |
| CM12Y |
3/4-16 |
15.06 |
44.45 |
73.03 |
44.45 |
76.2 |
46.02 |
41.28 |
25 |
63.193 |
0.467 |