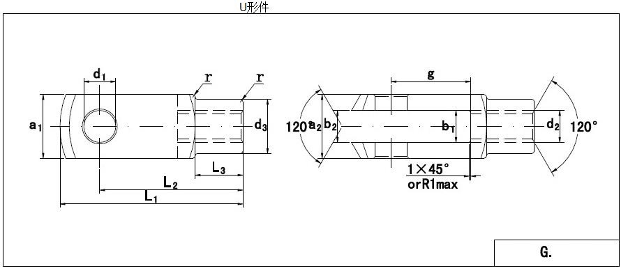
| 型号 |
尺寸 mm |
重量 kg |
|
d1 |
g |
a1 |
a2 |
b1 |
b2 |
d2 |
d3 |
f |
L1 |
L2 |
L3 |
r |
|
|
H9
|
+-0.5 |
h11 |
+0.30-0 |
B13
|
|
|
+-0.3 |
+-0.2 |
+-0.5 |
|
+-0.2 |
|
|
| G4x8 |
4 |
8 |
8 |
8 |
4 |
4+0.33+0.15 |
M4x0.7 |
8 |
0.5 |
21 |
16±0.3 |
6 |
0.5 |
0.005 |
| G4x16 |
4 |
16 |
8 |
8 |
4 |
4+0.33+0.15 |
M4x0.7 |
8 |
0.5 |
29 |
24±0.3 |
6 |
0.5 |
0.007 |
| G5x10 |
5 |
10 |
10 |
10 |
5 |
5+0.33+0.15 |
M5x0.8 |
9 |
0.5 |
26 |
20±0.3 |
7.5 |
0.5 |
0.009 |
| G5x20 |
5 |
20 |
10 |
10 |
5 |
5+0.33+0.15 |
M5x0.8 |
9 |
0.5 |
36 |
30±0.3 |
7.5 |
0.5 |
0.013 |
| G6x12 |
6 |
12 |
12 |
12 |
6 |
6+0.33+0.15 |
M6x1.0 |
10 |
0.5 |
31 |
24±0.3 |
9 |
0.5 |
0.015 |
| G6x24 |
6 |
24 |
12 |
12 |
6 |
6+0.33+0.15 |
M6x1.0 |
10 |
0.5 |
43 |
36±0.4 |
9 |
0.5 |
0.021 |
| G8x16 |
8 |
16 |
16 |
16 |
8 |
8+0.33+0.15 |
M8x1.25 |
14 |
0.5 |
42 |
32±0.4 |
12 |
0.5 |
0.037 |
| G8x16FG |
8 |
16 |
16 |
16 |
8 |
8+0.33+0.15 |
M8x1.0 |
14 |
0.5 |
42 |
32±0.4 |
12 |
0.5 |
0.037 |
| G8x32 |
8 |
32 |
16 |
16 |
8 |
8+0.33+0.15 |
M8x1.25 |
14 |
0.5 |
58 |
48±0.4 |
12 |
0.5 |
0.054 |
| G8x32FG |
10 |
32 |
16 |
16 |
8 |
8+0.33+0.15 |
M8x1.0 |
14 |
0.5 |
58 |
48±0.4 |
12 |
0.5 |
0.054 |
| G10x20 |
10 |
20 |
20 |
20 |
10 |
10+0.33+1.15 |
M10x1.5 |
18 |
0.5 |
52 |
40±0.4 |
15 |
0.5 |
0.074 |
| G10x20FG |
10 |
20 |
20 |
20 |
10 |
10+0.33+0.15 |
M10x1.25 |
18 |
0.5 |
52 |
40±0.4 |
15 |
0.5 |
0.074 |
| G10x40 |
10 |
40 |
40 |
40 |
10 |
10+0.70+0.15 |
M10x1.5 |
18 |
0.5 |
72 |
60±0.4 |
15 |
0.5 |
0.116 |
| G10x40FG |
10 |
40 |
20 |
20 |
10 |
10+0.70+0.15 |
M10x1.25 |
18 |
0.5 |
72 |
60±0.4 |
15 |
0.5 |
0.116 |
| G12x24 |
12 |
24 |
24 |
24 |
12 |
12+0.70+0.15 |
M12x1.75 |
20 |
0.5 |
62 |
48±0.4 |
18 |
0.5 |
0.121 |
| G12x24FG |
12 |
24 |
24 |
24 |
12 |
12+0.70+0.15 |
M12x1.25 |
20 |
0.5 |
62 |
48±0.4 |
18 |
0.5 |
0.121 |
| G12x48 |
12 |
48 |
24 |
24 |
12 |
12+0.70+0.15 |
M12x1.75 |
20 |
0.5 |
86 |
72±0.4 |
18 |
0.5 |
0.175 |
| G12x48FG |
12 |
48 |
24 |
24 |
12 |
12+0.70+0.15 |
M12x1.25 |
20 |
0.5 |
86 |
72±0.4 |
18 |
0.5 |
0.175 |
| G14x28 |
14 |
28 |
27 |
27 |
14 |
140.70+0.15 |
M14x2.0 |
24 |
1 |
72 |
56±0.4 |
23 |
1 |
0.178 |
| G14x28FG |
14 |
28 |
27 |
27 |
14 |
14+0.70+0.15 |
M14x1.5 |
24 |
1 |
72 |
56±0.4 |
23 |
1 |
0.178 |
| G14x56 |
14 |
56 |
27 |
27 |
14 |
14+0.70+0.15 |
M14x2.0 |
24 |
1 |
101 |
85±0.4 |
23 |
1 |
0.258 |
| G14x56FG |
14 |
56 |
27 |
27 |
14 |
14+0.70+0.15 |
M14x1.5 |
24 |
1 |
101 |
85±0.4 |
23 |
1 |
0.258 |
| G16x32 |
16 |
32 |
32 |
32 |
16 |
16+0.70+0.15 |
M16x2.0 |
26 |
1 |
83 |
64±0.4 |
24 |
1 |
0.282 |
| G16x32FG |
16 |
32 |
32 |
32 |
16 |
16+0.70+0.15 |
M16x1.5 |
26 |
1 |
83 |
64±0.4 |
24 |
1 |
0.282 |
| G16x64 |
16 |
64 |
32 |
32 |
16 |
16+0.70+0.15 |
M16x2.0 |
26 |
1 |
115 |
96±0.4 |
24 |
1 |
0.411 |
| G16x64FG |
16 |
64 |
32 |
32 |
16 |
16+0.70+0.15 |
M16x1.5 |
26 |
1 |
115 |
96±0.4 |
24 |
1 |
0.411 |
| G18x36 |
18 |
36 |
36 |
36 |
18 |
18+0.70+0.15 |
M18x2.5 |
30 |
1 |
94 |
72±0.4 |
27 |
1.5 |
0.39 |
| G18x36FG |
18 |
36 |
36 |
36 |
18 |
18+0.70+0.15 |
M18x1.5 |
30 |
1 |
94 |
72±0.4 |
27 |
1.5 |
0.39 |
| G20x40 |
20 |
40 |
40 |
40 |
20 |
20+0.70+0.15 |
M20x2.5 |
34 |
1 |
105 |
80±0.4 |
30 |
1.5 |
0.55 |
| G20x40FG |
20 |
40 |
40 |
40 |
20 |
20+0.70+0.15 |
M20x1.5 |
34 |
1 |
105 |
80±0.4 |
30 |
1.5 |
0.55 |
| G20x80 |
20 |
80 |
40 |
40 |
20 |
20+0.70+0.15 |
M20x2.5 |
34 |
1 |
145 |
120±0.4 |
30 |
1.5 |
0.8 |
| G20x80FG |
20 |
80 |
40 |
40 |
20 |
20+0.70+0.15 |
M20x1.5 |
34 |
1 |
145 |
120±0.4 |
30 |
1.5 |
0.8 |
| G25x50 |
25 |
50 |
50 |
50 |
25 |
25+0.70+0.15 |
M24x3.0 |
42 |
1.5 |
132 |
100±0.4 |
36 |
1.5 |
1.1 |
| G25x50FG |
25 |
50 |
50 |
50 |
25 |
25+0.70+0.15 |
M24x2.0 |
42 |
1.5 |
132 |
100±0.4 |
36 |
1.5 |
1.1 |
| G28x56 |
28 |
56 |
55 |
55 |
28 |
280.70+0.15 |
M27x3.0 |
48 |
1.5 |
148 |
112±0.4 |
40 |
2 |
1.5 |
| G28x56FG |
28 |
56 |
55 |
55 |
28 |
28+0.70+0.15 |
M27x2.0 |
48 |
1.5 |
148 |
112±0.4 |
40 |
2 |
1.5 |
| G30x54FG |
30 |
54 |
55 |
55 |
30 |
30+0.70+0.15 |
M27x2.0 |
48 |
1.5 |
148 |
110±0.4 |
40 |
2 |
1.44 |
| G30x60 |
30 |
60 |
60 |
60 |
30 |
30+0.70+0.15 |
M30x3.5 |
52 |
1.5 |
160 |
120±0.4 |
42 |
2 |
1.97 |
| G30x60FG |
30 |
60 |
60 |
60 |
30 |
30+0.70+0.15 |
M30x2.0 |
52 |
1.5 |
160 |
120±0.4 |
42 |
2 |
1.97 |
| G35x54FG |
35 |
54 |
70 |
70 |
35 |
35+0.70+0.15 |
M36x2.0 |
60 |
2 |
188 |
144±0.4 |
54 |
3 |
2.93 |
| G35x72 |
35 |
72 |
70 |
70 |
35 |
35+0.70+0.15 |
M36x4.0 |
60 |
2 |
188 |
144±0.4 |
54 |
3 |
2.93 |
| G35x72FG |
35 |
72 |
70 |
70 |
35 |
35+0.70+0.15 |
M36x2.0 |
60 |
2 |
188 |
144±0.4 |
54 |
3 |
2.93 |
| G36x72 |
35 |
72 |
70 |
70 |
36 |
36+0.70+0.15 |
M36x4.0 |
60 |
2 |
188 |
144±0.4 |
54 |
3 |
2.93 |
| G36x72FG |
35 |
72 |
70 |
70 |
36 |
36+0.70+0.15 |
M36x2.0 |
60 |
2 |
188 |
144±0.4 |
54 |
3 |
2.93 |
| G40x84FG |
40 |
84 |
85 |
85 |
40 |
40+0.70+0.15 |
M42x2.0 |
70 |
3 |
232 |
168±0.4 |
63.5 |
5 |
5.64 |
| G42x84 |
42 |
84 |
85 |
85 |
42 |
42+0.70+0.15 |
M42x4.5 |
70 |
3 |
232 |
168±0.4 |
63.5 |
5 |
5.34 |
| G42x84FG |
42 |
84 |
85 |
85 |
42 |
42+0.70+0.15 |
M42x2.0 |
70 |
3 |
232 |
168±0.4 |
63.5 |
5 |
5.34 |
| G50x96 |
50 |
96 |
96 |
96 |
50 |
50+0.70+0.15 |
M48x5.0 |
82 |
3 |
265 |
192±0.4 |
73 |
5 |
7.86 |
| G50x96FG |
50 |
96 |
96 |
96 |
50 |
50+0.70+0.15 |
M48x2.0 |
82 |
3 |
265 |
192±0.4 |
73 |
5 |
7.86 |