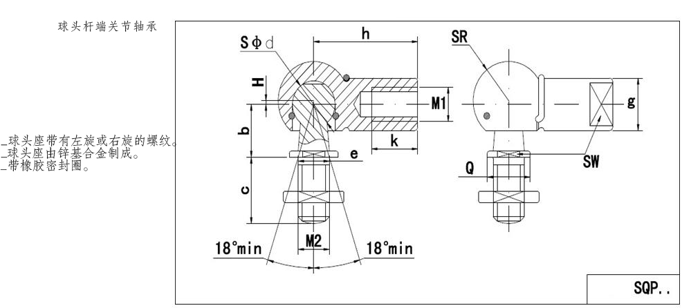
| 型号 | 尺寸 mm | 负荷KN | 重量kg | ||||||||||||
| Q | M1 | M2 | b | c | d | e | g | h | H | k | SW | SR | |||
| 6H | 6g | min | min | ||||||||||||
| SQP5S | 8 | M5x0.8 | M5x0.8 | 9 | 10 | 8 | 5 | 8 | 22 | 0.7 | 10.2 | 7 | 6.4 | 15.2 | 0.014 |
| SQP6S | 10 | M6x1.0 | M6x1.0 | 11 | 12.5 | 10 | 6 | 10 | 25 | 0.7 | 11.5 | 8 | 7.4 | 25.2 | 0.024 |
| SQP8S | 13 | M8x1.25 | M8x1.25 | 13 | 16.5 | 13 | 8 | 13 | 30 | 1.16 | 14 | 11 | 9.65 | 53.1 | 0.053 |
| SQP10S | 16 | M10x1.25 | M10x1.25 | 16 | 20 | 16 | 10 | 16 | 35 | 1.16 | 15.5 | 13 | 12 | 103.8 | 0.097 |
| SQP12S | 16 | M12x1.75 | M12x1.75 | 16 | 20 | 16 | 12 | 16 | 35 | 1.16 | 15.5 | 13 | 12 | 103.8 | 0.097 |
| SQP14S | 22 | M14x2.0 | M14x2.0 | 20 | 27 | 19 | 14 | 22 | 45 | 1.5 | 21.5 | 17 | 15 | 220.9 | 0.218 |
| SQP14-1S | 22 | M14x1.5 | M14x1.5 | 20 | 27 | 19 | 14 | 22 | 45 | 1.5 | 21.5 | 17 | 15 | 220.9 | 0.218 |