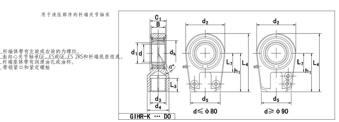
| 型号 | 尺寸 mm | 负荷KN | 重量kg | ||||||||||||||
| d1 | d3 | d4 | L3 | B | C1 | d2 | L7 | h1 | L4 | d5 | d1 | dk | a | 动 | 静 | ||
| 6H | min | min | ≈ | C | C0 | ||||||||||||
| GIHR-K20DO | 20 | M16x1.5 | 25 | 17 | 16 | 19 | 56 | 25 | 50 | 80 | 46 | 24.2 | 29 | 9 | 30 | 72 | 0.43 |
| GIHR-K25DO | 25 | M16x1.5 | 25 | 17 | 20 | 23 | 56 | 28 | 50 | 80 | 46 | 29.3 | 35.5 | 7 | 48 | 72 | 0.48 |
| GIHR-K30DO | 30 | M22x1.5 | 32 | 23 | 22 | 28 | 64 | 30 | 60 | 94 | 50 | 34.2 | 40.7 | 6 | 62 | 106 | 0.74 |
| GIHR-K35DO | 35 | M28x1.5 | 40 | 29 | 25 | 30 | 78 | 38 | 70 | 112 | 66 | 39.8 | 47 | 6 | 80 | 153 | 1.2 |
| GIHR-K40DO | 40 | M35x1.5 | 49 | 36 | 28 | 35 | 94 | 45 | 85 | 135 | 76 | 45 | 53 | 7 | 100 | 250 | 2 |
| GIHR-K50DO | 50 | M45x1.5 | 61 | 46 | 35 | 40 | 116 | 55 | 105 | 168 | 90 | 55.9 | 66 | 6 | 156 | 365 | 3.8 |
| GIHR-K60DO | 60 | M58x1.5 | 75 | 59 | 44 | 50 | 130 | 65 | 130 | 200 | 120 | 66.8 | 80 | 6 | 245 | 400 | 5.4 |
| GIHR-K70DO | 70 | M65x1.5 | 86 | 66 | 49 | 55 | 154 | 75 | 150 | 232 | 130 | 77.9 | 92 | 6 | 315 | 540 | 8.5 |
| GIHR-K80DO | 80 | M80x2.0 | 105 | 81 | 55 | 60 | 176 | 80 | 170 | 265 | 160 | 89.4 | 105 | 6 | 400 | 670 | 12 |
| GIHR-K90DO | 90 | M100x2.0 | 124 | 101 | 60 | 65 | 206 | 90 | 210 | 323 | 180 | 98.1 | 115 | 5 | 490 | 980 | 21.5 |
| GIHR-K100DO | 100 | M110x2.0 | 138 | 111 | 70 | 70 | 231 | 105 | 235 | 360 | 200 | 109.5 | 130 | 7 | 610 | 1120 | 27.5 |
| GIHR-K110DO | 110 | M120x3.0 | 152 | 125 | 70 | 80 | 266 | 115 | 265 | 407.5 | 220 | 121.2 | 140 | 6 | 655 | 1700 | 40.5 |
| GIHR-K120DO | 120 | M130x3.0 | 172 | 135 | 85 | 90 | 340 | 140 | 310 | 490 | 257 | 135.5 | 160 | 6 | 950 | 2900 | 76 |