通过ISO9001;2008质量管理体系认证

当前位置 : 首页 > 关于我们 > 产品展示
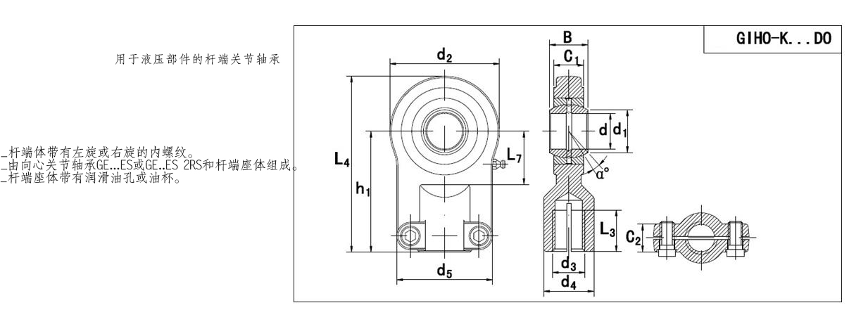
型号 尺寸 mm 负荷KN 重量kg

d d3 d4 L3 B C1 d2 L7 h1 L4 d5 d1 d5 C2  

  6H   min       min             C C0  
GIHO-K12DO* 12 M10x1.25 17 15 10 8 35 16 42 59.5 40 15 13 11 10.8 17 0.12
GIHO-K16DO 16 M12x1.25 21 17 14 11 45 20 48 70.5 45 20.7 13 10 21.1 28.5 0.22
GIHO-K20DO 20 M14x1.5 25 19 16 13 55 25 58 85.5 55 24.2 17 9 30 42.5 0.43
GIHO-K25DO 25 M16x1.5 30 23 20 17 65 30 68 100.5 62 29.3 17 7 48 67 0.67
GIHO-K30DO 30 M20x1.5 36 29 22 19 80 35 85 125 77 34.2 19 6 62 108 1.25
GIHO-K40DO 40 M27x2.0 45 37 28 23 100 45 105 155 90 45 23 7 100 156 2.16
GIHO-K50DO 50 M33x2.0 55 46 35 30 120 58 130 190 105 55.9 30 6 156 245 3.9
GIHO-K60DO 60 M42x2.0 68 57 44 38 160 68 150 230 134 66.8 38 6 245 380 7.15
GIHO-K80DO 80 M48x2.0 90 64 55 47 205 82 185 287.5 156 89.4 47 6 400 585 15
GIHO-K100DO 100 M64x3.0 110 86 70 55 240 116 240 360 190 109.5 55 7 610 865 27.3